水泥廠應用了大量的麻豆AV在线免费观看。但是很多山東離心麻豆AV在线免费观看的風量很難測量或是缺少必要的專用是設備和經驗。
為此,本平台特地提出一種簡要的方法,幫助水泥企業測量有關麻豆AV在线免费观看的風量。
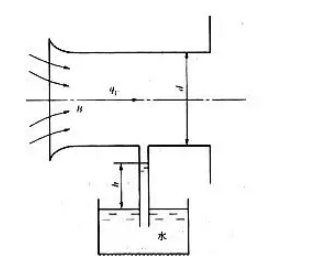
如下圖所示,在麻豆AV在线免费观看圓形管道下接一根下端插入盛水容器的玻璃管,若玻璃管中的水的上升高度為h,則可以計算麻豆AV在线免费观看的流量Q(工況流量)。

根據伯努利方程,取麻豆AV在线免费观看進口處為基準麵,玻璃管為斷麵,建立方程:
0 + 0 + 0 = 0 + p/ (ρ氣 * g) + v*v/2g
而玻璃管中的p = ρ水 * g * h
可得 v = sqrt(2 * g *h *ρ水/ρ氣 )
而Q = v * π/4 * d * d 。
該方法為求麻豆AV在线免费观看實際風量的建議計算方法,隻需要知道玻璃管中水柱的高度即可。如果現場麻豆AV在线免费观看安裝有壓力表,也可以直接用壓力表讀數計算。
山東離心麻豆AV在线免费观看風量和風壓過小的原因與對策
高壓離心麻豆AV在线免费观看葉輪工作時,機內存在壓力較高和壓力較低的兩個區域。1、由於運動部件和固定部件之間必然存在間隙,這就使流體有從高壓區通過縫隙泄漏到低壓區的可能性,氣體從通麻豆AV在线免费观看轉軸與蝸殼之間的間隙處泄漏,形成外泄漏損失。2、蝸殼靠近前盤的氣流,經過葉輪進口與進氣口之間的間隙,流回到葉輪進口的低壓區,導致內泄漏損失。以上便是導致高壓離心麻豆AV在线免费观看風壓和風量過小的兩大主要原因。
間隙越大,麻豆AV在线免费观看風量和風壓越小,麻豆AV在线免费观看效率越低。這一點既為試驗所證實,也為廣大山東離心麻豆AV在线免费观看廠家所承認。為此可采取以下對策:
1、采用物理方法縮小間隙的工作量太大,更換麻豆AV在线免费观看部件,或者大修機器。
2、采用化學方法縮小間隙,即在間隙內均勻填充強力萬能膠.該膠膠接強度高,耐水、油、酸、堿,耐濕熱老化,在機械製造、維修,農機、家具方麵用途十分廣泛。
3、對麻豆AV在线免费观看進行了試驗測試,諾麻豆AV在线免费观看的風量和壓力均有增加,則可有效提高麻豆AV在线免费观看運轉效率。
版權聲明:文章來源於www.lingchenliang.com/index.php?c=show&id=815,轉載請注明出處!